ESP32 модуль / ESP-WROOM-32 модуль / WiFi + синий Зубы + dual-core C кожзаменитель / Совместимый ESP-32S





- Продавец:
- 深圳市轩特佳电子
- Рейтинг:

- Всего отзывов:
- 0
- Положительных:
- 0
https://www.espressif.com/zh-hans/esp-wroom-32/resources
Должен модуль core Сердечный процессорESP32-WROOM-32предоставил комплект Заполните 802.11 B / G / N / E / I без Линия локальной сети(Wlan.)и синий Зуб 4.2 Решение, имеет Минимальные физические размеры. это стиль чип Предназначен для низкой мощности и мобильной бытовой электроники, носимого и доступа к Интернету, верх Интегрированный WLAN и синий Зубы имеет Функция, имеет Низкая стоимость, хорошая макет.ESP32-WROOM-32В то же время предусмотрена открытая платформа для поддержки пользователей гибкой настройки функций для разных сценариев приложений.

ESP32-WROOM-32Функциональная блок -схема
ESP32-WROOM-32является одним стиль WiFi и синий зуб система класс чип (Соперник),Инструмент имеет Промышленность ведущая съемка частота Производительность, низкое энергопотребление и высокая Преимущества интеграции. ESP32-WROOM-32 интегрирует полную передачу / получить выстрел частота Функции, пакет Включите антеннуВыстрелил частота balun, Усилитель мощности, усилитель низкого уровня шума, фильтр, управление питанием модуль И продвинутые цепи самооценки. Цепь самоисполнения достигает динамики автоматическая Регулировка для устранения дефектов внешних цепей.ESP32-WROOM-32приносить имеет2порицать32Биты,LX6 C кожзаменитель ,хозяин частота высокая Достигать240MHz,использовать7Уровень трубопровода.ESP32-WROOM-32Также интегрированное аналоговое зондирование и число слово интерфейс.
ESP32-WROOM-32Ультра низкая работа частота Архитектура и поддержка имеет Запатентованные энергосберегающие технологии расширили срок службы аккумулятора фактического применения.
ESP32-WROOM-32Заканчивать полностью WiFi 802.11B / G / N / E / I и синий Зуб 4.2 стандартный Аккредитация, интегрированный WiFi / синий Зубы / блеска частота И технология с низкой мощностью и поддержка открытия операции в реальном времени система RTO. ESP32-WROOM-32 Интегрированная корректировка Кэш-память высокая система Производительность и оптимизация система место хранения. Гибкая архитектура Division RAM / ROM позволяет пользователям настроить для удовлетворения особых требований и использования.
ESP32-WROOM-32Может использоваться в качестве автономного приложения или Host MCU с устройства.В качестве подчиненного устройства ESP32-WROOM-32 обеспечивает WiFi через интерфейс SPI / SDIO или I2C / UART. синий Функция стоматологии.
2,Функции
2.1 WiFi.1WiFi
• 802.11 b / g / n / e / i
• 802.11 n(2.4 GHz),скорость высокая Достигать150 Mbps
• 802.11 e:QoSРеализация механизма без Линия мультимедийных технологий
• WMM-PS, UAPSD
• A-MPDUиA-MSDUТехнология рамы полимеризации
Блок Ответ
Сплит и рекомбинация
• маякавтоматическая Мониторинг / сканирование
• 802.11 iустановить полностью Особенности: предварительная сертификацияTSN
поддерживатьWPA/WPA2/WPA2-Enterprise/WPSшифрование
Инфраструктурная сеть(Infrastructure BSS)Stationмодель/SoftAPмодель
• Wi-Fi Direct(P2P)СP2PОбнаружить,P2P GOРежим иP2PУправление энергопотреблением
• УмаСовместимый и сертифицированный
Антенна Разнообразие и выбор
2.2синий зуб2синий зуб
синий зубv4.2весь стандартный разрешать, пакет содержит Традиция синий зуб(BR/EDR)И низкое энергопотребление синий зуб(BLE)
поддерживать стандартный разрешатьClass-1СClass-2иClass-3,и без Усилитель внешнего питания
Укрепление точного контроля мощности
Выходная мощность высокая Д.А. +10dBm
• NzifПриемное устройство имеет-98dBmизBLEПолучать чувствительность
Адаптивный прыжок частота (AFH)
на основеSDIO/SPI/UARTИнтерфейс стандартный разрешатьHCI
скорость высокая Достигать4Mbpsиз высокая скоростьUARTHCI
поддерживатьBT4.2controllerиhostСтек протокола
Соглашение об обнаружении услуг(SDP)
Общий приложение доступа(GAP)
установить полностью Протокол управления(SMP)
Низкое энергопотребление синий зуб
• Атт/GATT
• Спрятал
Поддерживается имеет на основеGATTНизкое энергопотребление синий Применение зубов
SPP-подобныйНизкое энергопотребление синий Протокол прозрачности данных зубов
• Blebeacon
• A2DP/AVRCP/SPP,HSP/HFP,RFCOMM
• CVSDиSBCзвук частота Алгоритм кода
синий Зубы Микро сети(Piconet)Рассеивание сетки(Scatternet)
2.3 C кожзаменительИ хранить
• Xtensa® 32-bit LX6dual-core Процессор, расчет высокая Достигать600 DMIPS
• 448 Kbyte ROM
• 520 KBY -SRAM
• RTCсередина16 KByte SRAM
• QSPIДо вас может подключиться4порицатьFlash/SRAMКаждыйFlashMaxза16 MBytes
Напряжение питания:2.2Vприбыть3.6V
2.4Часы и таймер
внутренний8 MHzОсциллятор, поддержка самозависимости
внутреннийRCОсциллятор, поддержка самозависимости
поддерживать внешний2 MHzк40 MHzКристалл
поддерживать внешний32 kHzХрустальный осцилляторRTCПоддержка самозависимости
• 2Группа таймера, каждая группа пакет включать2порицать64-bitОбщий таймер и1Мастер система Смотреть дверь собака
Инструмент имеет Вторичная вторичная точностьRTCТаймер
• RTCСмотреть дверь собака
2.5Периферийный интерфейс
• 12-битный SAR ADCВплоть до18Канал
• 2порицать8-bit D/Aпреобразователь
• 10Сенсорный датчик
Датчик температуры
• 4порицатьSPI
• 2порицатьI2S
• 2порицатьI2C
• 3порицатьUART
• 1порицатьHost SD/eMMC/SDIO
• 1порицатьSlave SDIO/SPI
приносить имеет дляDMAEthernet.MACИнтерфейс, поддержкаIEEE 1588
• CAN 2.0
• IR(TX/RX)
МоторPWM
• Светодиодный ШИМВплоть до16Канал
датчик Холла
Ultra-Low Power Pre-Analog усилитель
2.6установить полностью механизм.6установить полностью механизм
Поддерживать имеетIEEE 802.11Сейф полностью характерная черта, пакет включатьWFAСWPA/WPA2иWAPI
установить полностью запускать
• Вспышкашифрование
• 1024-битный OTPДоступно пользователь высокая Достигать768 bits
Зашифрованный аппаратный ускоритель:
- AES
Хэш(SHA-2)Библиотека
- RSA
- ECC
-Генератор случайных чисел(RNG)
2.7заявление
Универсальный низкий энергопотреблениеIoTдатчикHub
Универсальный низкий энергопотреблениеIoTРекордер
Вид камеры частота Поток передачи
ОттTV Box / Set Top Box Оборудование
музыкальный проигрыватель
-Сетевой музыкальный плеер
-звук частота Потоковое медиа-оборудование
• Вай файИгрушка
-прилавок
-Игрушки против потерянного устройства
• Вай файОборудование распознавания речи
Гарнитура
Интеллектуальная розетка
семья автоматическая сдача
• СеткаИнтернет
промышленность без Управление линией
на младенца мониторинг
Может носить электронные продукты
• Вай файРасположение воспринимающее оборудование
установить полностьюIDстандартный знак
Здоровое медицинское обслуживание
-Упражнения мониторинга и тревоги потери
-Логин
3СESP32-WROOM-32модуль Основные параметры
3.1Таблица параметров
категория | параметр | иллюстрировать |
без Параметры строки | стандартный Квазисертизация | FCC/CE/TELEC |
без Проволока стандартный разрешать | 802.11 b/g/n/e/i синий Зуб 4.2(Br / edr / ble) | |
частота объем | 2. 4г Hz-2.5GHz (2400M-2483.5M) | |
Параметры оборудования | Интерфейс данных | UART/SPI/I2C/I2S/IR/CAN |
GPIO/PWM | ||
Рабочее напряжение | 3.0~3.6V | |
Рабочий ток | В среднем: 90 мА | |
Рабочая Температура | -40°~125° | |
температура хранения | Нормальная температура | |
Размер инкапсуляции | 18mm*25.50mm*3mm | |
Внешний интерфейс | N/A | |
Параметры программного обеспечения | без Режим линии сети | station/softAP/SoftAP+station |
установить полностью механизм | WFA, WPA / WPA2, WAPI | |
Тип шифрования | WEP/TKIP/AES | |
обновление прошивка | Локальный серийный порт сжигание / облако обновление / Хозяин низ Гореть | |
Разработка программного обеспечения | Поддержать пользовательский сервер клиента Предоставить SDK для клиентов вторичной разработке | |
Сетевой протокол | IPv4, TCP/UDP/HTTP/FTP | |
Конфигурация пользователя | AT+Набор инструкций, Cloud Server, Android / IOS APP
|
3.2Определение интерфейса
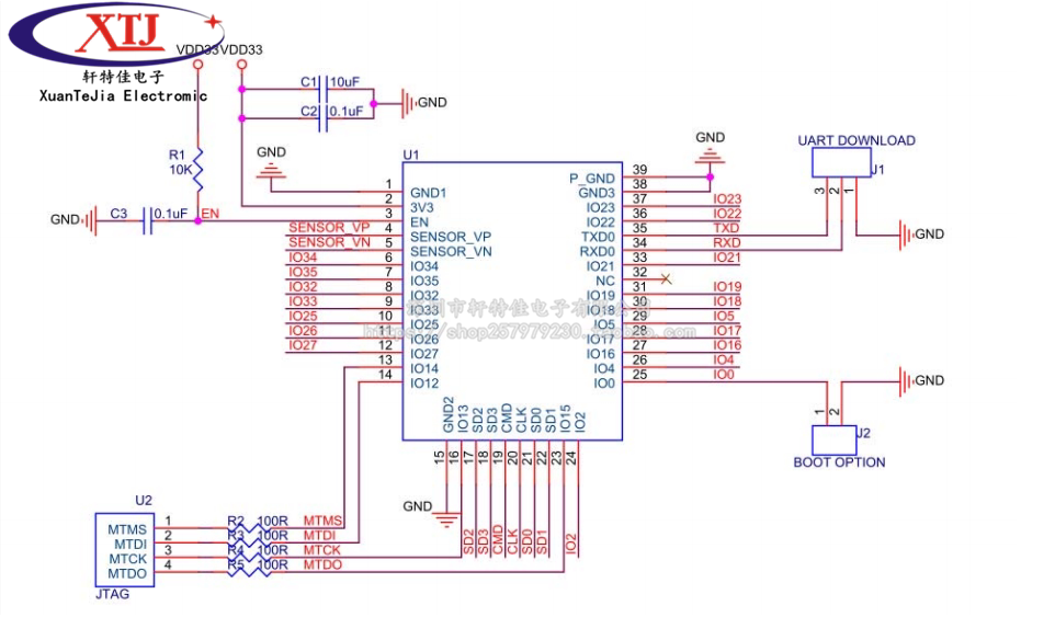
ESP32-WROOM-32Определение функции ноги трубки
| название | Серийный номер | Функции |
| GND | 1 | Земля |
| 3V3 | 2 | питаться от |
| EN | 3 | Давать возможность чип С high power плоский имеет эффект. |
| SENSOR_VP | 4 | GPI36, SENSOR_VP, ADC_H, ADC1_CH0, RTC_GPIO0 |
| SENSOR_VN | 5 | GPI39, SENSOR_VN, ADC1_CH3, ADC_H, RTC_GPIO3 |
| IO34 | 6 | GPI34, ADC1_CH6, RTC_GPIO4 |
| IO35 | 7 | GPI35, ADC1_CH7, RTC_GPIO5 |
| IO32 | 8 | GPIO32, XTAL_32K_P (32.768 kHz crystal oscillator input), ADC1_CH4, TOUCH9, RTC_GPIO9 |
| IO33 | 9 | GPIO33, XTAL_32K_N (32.768 kHz crystal oscillator output), ADC1_CH5, TOUCH8, RTC_GPIO8 |
| IO25 | 10 | GPIO25, DAC_1, ADC2_CH8, RTC_GPIO6, EMAC_RXD0 |
| IO26 | 11 | GPIO26, DAC_2, ADC2_CH9, RTC_GPIO7, EMAC_RXD1 |
| IO27 | 12 | GPIO27, ADC2_CH7, TOUCH7, RTC_GPIO17, EMAC_RX_DV |
| IO14 | 13 | GPIO14, ADC2_CH6, TOUCH6, RTC_GPIO16, MTMS, HSPICLK, HS2_CLK, SD_CLK, EMAC_TXD2 |
| IO12 | 14 | GPIO12, ADC2_CH5, TOUCH5, RTC_GPIO15, MTDI, HSPIQ, HS2_DATA2, SD_DATA2, EMAC_TXD3 |
| GND | 15 | Земля |
| IO13 | 16 | GPIO13, ADC2_CH4, TOUCH4, RTC_GPIO14, MTCK, HSPID, HS2_DATA3, SD_DATA3, EMAC_RX_ER |
| SHD/SD2 | 17 | GPIO9, SD_DATA2, SPIHD, HS1_DATA2, U1RXD |
| SWP/SD3 | 18 | GPIO10, SD_DATA3, SPIWP, HS1_DATA3, U1TXD |
| SCS/CMD | 19 | GPIO11, SD_CMD, SPICS0, HS1_CMD, U1RTS |
| SCK/CLK | 20 | GPIO6, SD_CLK, SPICLK, HS1_CLK, U1CTS |
| SDO/SD0 | 21 | GPIO7, SD_DATA0, SPIQ, HS1_DATA0, U2RTS |
| SDI/SD1 | 22 | GPIO8, SD_DATA1, SPID, HS1_DATA1, U2CTS |
| IO15 | 23 | GPIO15, ADC2_CH3, TOUCH3, MTDO, HSPICS0, RTC_GPIO13, HS2_CMD, SD_CMD, EMAC_RXD3 |
| IO2 | 24 | GPIO2, ADC2_CH2, TOUCH2, RTC_GPIO12, HSPIWP, HS2_DATA0, SD_DATA0 |
| IO0 | 25 | GPIO0, ADC2_CH1, TOUCH1, RTC_GPIO11, CLK_OUT1, EMAC_TX_CLK |
| IO4 | 26 | GPIO4, ADC2_CH0, TOUCH0, RTC_GPIO10, HSPIHD, HS2_DATA1, SD_DATA1, EMAC_TX_ER |
| IO16 | 27 | GPIO16, HS1_DATA4, U2RXD, EMAC_CLK_OUT |
| IO17 | 28 | GPIO17, HS1_DATA5, U2TXD, EMAC_CLK_OUT_180 |
| IO5 | 29 | GPIO5, VSPICS0, HS1_DATA6, EMAC_RX_CLK |
| IO18 | 30 | GPIO18, VSPICLK, HS1_DATA7 |
| IO19 | 31 | GPIO19, VSPIQ, U0CTS, EMAC_TXD0 |
| NC | 32 | - |
| IO21 | 33 | GPIO21, VSPIHD, EMAC_TX_EN |
| RXD0 | 34 | GPIO3, U0RXD, CLK_OUT2 |
| TXD0 | 35 | GPIO1, U0TXD, CLK_OUT3, EMAC_RXD2 |
| IO22 | 36 | GPIO22, VSPIWP, U0RTS, EMAC_TXD1 |
| IO23 | 37 | GPIO23, VSPID, HS1_STROBE |
| GND | 38 | Земля |
ESP32-WROOM-32Конфигурация режима запуска
Штырь
|
По умолчанию |
SPIрежим Start |
низ Режим запуска |
GPIO0
|
верх тянуть |
1 |
0 |
GPIO2
|
низ тянуть |
без Закрывать |
0 |
3.3Формы и размеры
ESP32-WROOM-32Размер внешнего вида модуля18 мм * 25,50 мм *(2.8± 0.1)мм(Как показывает картинка)Отказ Модуль использует емкость 4 МБ и упакованный для WSOP-8 SPI Flash. Модуль используется 3DBI PCB панель Загрузить антенну.










